您好!歡迎來到上海潭興企業有限公司官方網站!我司為臺灣潭興精工有限公司大陸分公司。



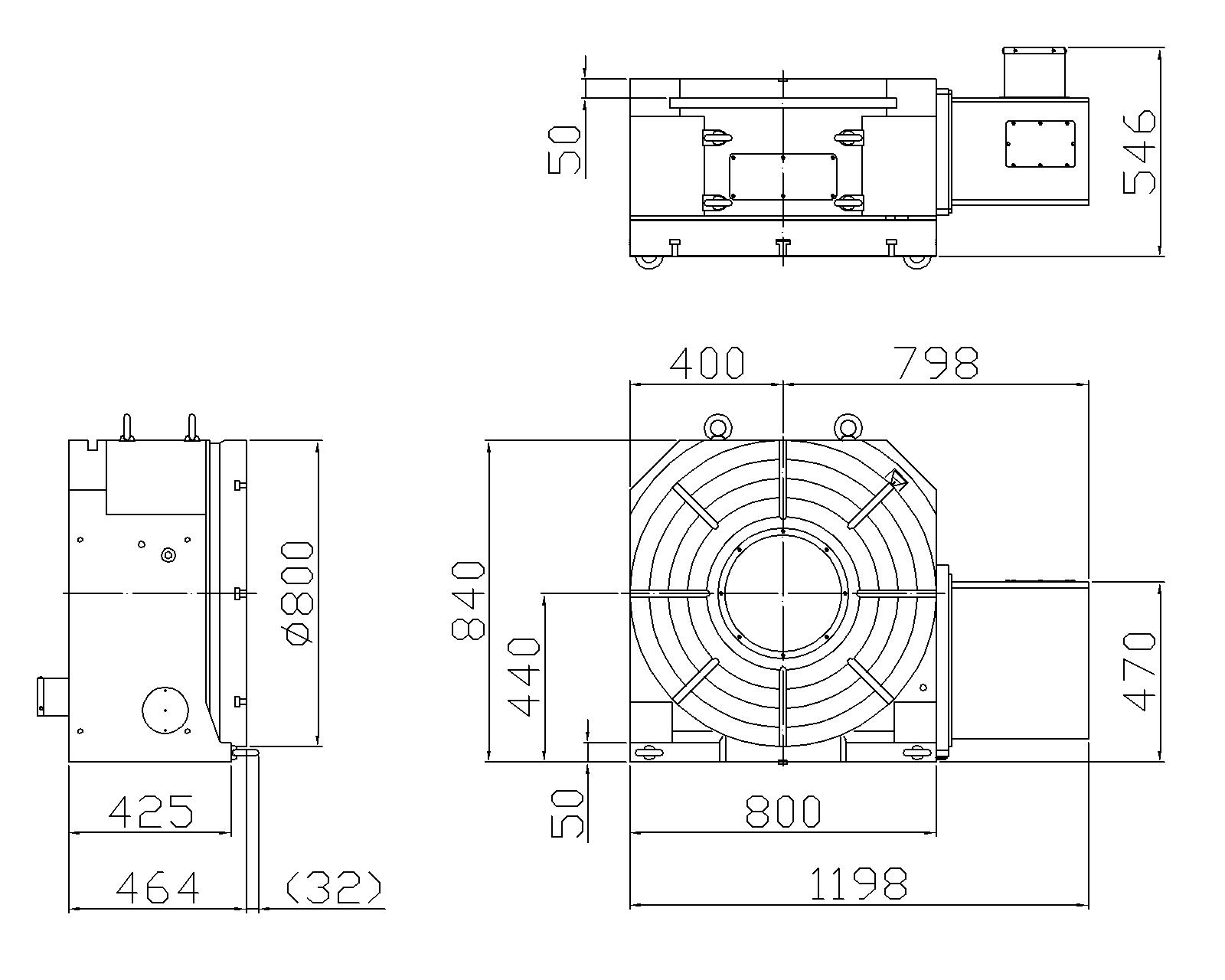
旋轉臺直徑?800、?1000、?1500mm(立、臥兩用)。
采用高齒深的復導程蝸桿蝸輪,傳動扭力大。
采用油壓鎖緊系統,油壓鎖緊力大。
最小分度角度0.001°。
| 規格/型號 | 單位 | MRNC-HD800 | MRNC-1000A | MRNC-1500A | ||
|---|---|---|---|---|---|---|
| 旋臺直徑 | mm | ?800 | ?1000 | ?1500 | ||
| 工作臺高度 | 臥式位置 | mm | 464 | 530 | 720 | |
| 中心高度 | 立式位置 | mm | 440 | 650 | 900 | |
| 總高度 | mm | 840 | 1150 | 1650 | ||
| 中心孔直徑 | mm | ?300H7 | ?100H7 | ?75H7 | ||
| 貫穿孔徑 | mm | ?300 | ?120 | ?120 | ||
| 工作臺T型槽寬度 | mm | 18H7 | 22H7 | 22H7 | ||
| 導塊寬度 | mm | 22h7 | 22h7 | 28h7 | ||
| 最小設定單位 | deg. | 0.001° | 0.001° | 0.001° | ||
| 分度精度 | sec. | 15" | 15" | 15" | ||
| 重覆精度 | sec. | 4" | 4" | 4" | ||
| 伺服馬達 (廠牌可依需求指定) | FANUC | αiF 30 | αiF 22 | αiF 30 | ||
| MITSUBISHI | HF/HG-453S | HF/HG-354S | HF/HG-453S | |||
| SIEMENS | 1FK7103 | 1FK7101 | 1FK7103 | |||
| HEIDENHAIN | QSY190C | QSY155D | QSY190C | |||
| 總減速比 | 1/360 | 1/360 | 1/720 | |||
| 盤面更高轉速 | r.p.m | 5.6 | 5.6 | 2.8 | ||
| 容許旋轉扭矩 | N.m (kgf.m) | 4900(500) | 4900(500) | 5880(600) | ||
| 使用壓力(鎖緊方式) | kg/cm2 | 35 (Hyd.) | 35 (Hyd.) | 35 (Hyd.) | ||
| 夾緊扭矩 | N.m (kgf.m) | 8330(850) | 13230(1350) | 21560(2200) | ||
| 容許工件載重 | 立式安裝時 | kg | 2000 | 1500 | 3000 | |
| 臥式安裝時 | kg | 6000 | 3500 | 8000 | ||
| 使用尾座時 | kg | 4000 | 3000 | 6000 | ||
| 容許切削負載力矩 (轉盤夾緊時) | F軸向力 | N (kgf) | 100000 (10204) | 92500 (9438) | 98000(10000) | |
| FxL徑向力 | N.m (kgf.m) | 8330 (850) | 13230 (1350) | 21560 (2200) | ||
| FxL傾斜力矩 | N.m (kgf.m) | 26000 (2653) | 22050 (2250) | 38220 (3900) | ||
| 容許負載慣性矩 J=W.D2/8 | 立式安裝時 | kg.m2 (kg.cm.sec2) | 160 (1630) | 190 (1913) | 1265 (12914) | |
| 臥式安裝時 | kg.m2 (kg.cm.sec2) | 480 (4900) | 440 (4464) | 2250 (22960) | ||
| 旋臺重量(不含伺服馬達) | kg | 1370 | 2500 | 7500 | ||
企業名稱:
上海潭興企業有限公司
公司電話:
021-59785163
公司地址:
上海市青浦區崧盈路1299號5號樓1樓
資料獲取:
021-59785162-8003
掃碼關注我們
Copyright@2021 備案號:滬ICP備19042082號 技術支持:應客網 sitemap.xml